شماره تماس: 02122000052
ایمیل ما: info@zemgroup.com

GU81M GU81 Transmitting Generator Tube

تاریخچه GU81M GU81 Transmitting Generator Tube

یک لوله خلاء الکترونی (بریتانیایی)، یا لوله (آمریکای شمالی)، دستگاهی است که جریان الکتریکی را در خلاء زیاد بین الکترودهایی که اختلاف پتانسیل الکتریکی روی آن اعمال شده است، کنترل می‌کند.

این نوع که به عنوان لوله ترمیونیک یا شیر ترمیونیک شناخته می شود از گسیل ترمیونی الکترون ها از یک کاتد داغ برای عملکردهای الکترونیکی اساسی مانند تقویت سیگنال و یکسوسازی جریان استفاده می کند.

ساده ترین لوله خلاء دیود، که در سال ۱۹۰۴ توسط جان امبروز فلمینگ اختراع شد، تنها حاوی یک کاتد ساطع کننده الکترون گرم شده و یک آند است.

در دهه ۱۹۴۰، اختراع دستگاه های نیمه هادی امکان تولید دستگاه های حالت جامد را فراهم کرد که کوچکتر، کارآمدتر، قابل اعتمادتر، بادوام تر، ایمن تر و مقرون به صرفه تر از لوله های ترمیونیک هستند. از اواسط دهه ۱۹۶۰، لوله های ترمیونیک با ترانزیستور جایگزین شدند. با این حال، لوله اشعه کاتدی (CRT) اساس نمایشگرهای تلویزیونی و اسیلوسکوپ‌ها تا اوایل قرن بیست و یکم باقی ماند. لوله‌های ترمیونیک هنوز در برخی کاربردها استفاده می‌شوند، مانند مگنترون مورد استفاده در اجاق‌های مایکروویو، برخی تقویت‌کننده‌های فرکانس بالا، و تقویت‌کننده‌هایی که علاقه‌مندان به صدا برای صدای «گرم‌تر» خود ترجیح می‌دهند.

مدل محصول:

 

GU-81 High Power 750W Pentode GU81M GU81 Transmitting Generator Tube

Identical to  ГУ-۸۱М

کشور سازنده: روسیه         

قیمت:۴۰ $

 

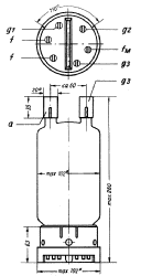
Model GU81M
BaseSPECIAL TUBEBASE in general 2 Top contacts
FilamentVf 12.6 Volts / If 11 Ampere / Direct
TypeTransmitting Tube – Pentode
Brand nameUSSR
OriginRussia

 

موارد استفاده:

ژنراتور GU-81M را به عنوان تقویت کننده نوسانات فرکانس بالا در فرکانس های تا ۵۰ مگاهرتز استفاده می کند.

ابعاد محصول:

۲۶۰ mm x 202 mm

اطلاعات محصول:

 

Cathode typetungsten, carbidized, direct heating
Application fieldpower amplification up to 50 MHz
Brief applicationamplification, oscillation
Envelopeglass
Cooling methodair

اطلاعات بیشتر:

Filament voltage۱۲.۶ V
Filament currentat most 11 A
Mutual conductance۴.۵ to 6.5 mA/V
Gain coefficient۲.۵ to 4
Output power۰.۴۵ kW
Maximum anode voltage۵۵۰ V
Maximum operating frequency50MH

 

Start typing to see products you are looking for.
0
    0
    سبد خرید شما
    سبد خرید شما خالی استبازگشت به فروشگاه